功能特点
高刚性小臂采用齿轮版结构,并提升机器人的过载能力;
加速能力更强,本体的高刚性设计与齿轮版结构技术方案,在加速能力更强,节拍更快;
中空结构,J1轴中空齿轮106mm,肘部机腕部中空尺寸57mm,更方便布线;J5轴范围更大,第5轴范围+180°,可以实现较大姿态的旋转;
精度更高,定位精度在+0.3mm,重复定位精度±0.03mm;
产品参数

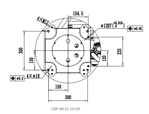
安装图


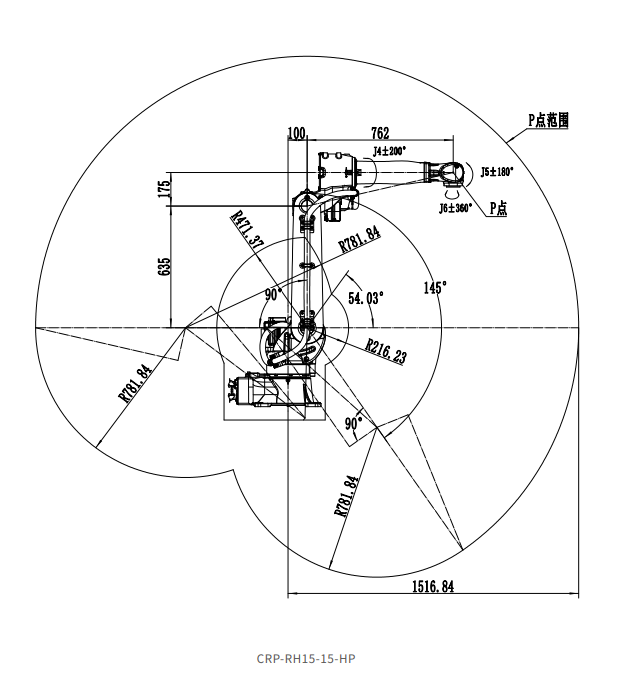
工作范围

功能特点
高刚性小臂采用齿轮版结构,并提升机器人的过载能力;
加速能力更强,本体的高刚性设计与齿轮版结构技术方案,在加速能力更强,节拍更快;
中空结构,J1轴中空齿轮106mm,肘部机腕部中空尺寸57mm,更方便布线;J5轴范围更大,第5轴范围+180°,可以实现较大姿态的旋转;
精度更高,定位精度在+0.3mm,重复定位精度±0.03mm;
产品参数

安装图


工作范围
